IPB
ЛогинПароль:

2 страниц V < 1 2  
 Ответить  Открыть новую тему 
> создание схем
xds
сообщение 11.02.2007 18:13
Сообщение #21


N337
****

Группа: Пользователи
Сообщений: 737
Пол: Мужской

Репутация: -  26  +


Мультиметр in Тестеры smile.gif

Я болел. Завтра постараюсь выложить схему. Насчёт покупки деталей мне сложно советовать, я ведь не в Москве живу (знаю у вас только "Чип и Дип" - там некоторые вещи дороже, чем у нас на заказ из "Промэлектроники").


--------------------
The idiots are winning.
 Оффлайн  Профиль  PM 
 К началу страницы 
+ Ответить 
xds
сообщение 14.02.2007 19:57
Сообщение #22


N337
****

Группа: Пользователи
Сообщений: 737
Пол: Мужской

Репутация: -  26  +


Переходил на Eagle, поэтому была задержка со схемой. Примерно вот так:
Прикрепленное изображение


--------------------
The idiots are winning.
 Оффлайн  Профиль  PM 
 К началу страницы 
+ Ответить 
Reflex
сообщение 14.02.2007 22:05
Сообщение #23


Пионер
**

Группа: Пользователи
Сообщений: 118
Пол: Женский

Репутация: -  0  +


а можно комментарии что есть что?


--------------------
Нам не дано предугадать как наше слово отзовется...
 Оффлайн  Профиль  PM 
 К началу страницы 
+ Ответить 
xds
сообщение 15.02.2007 7:43
Сообщение #24


N337
****

Группа: Пользователи
Сообщений: 737
Пол: Мужской

Репутация: -  26  +


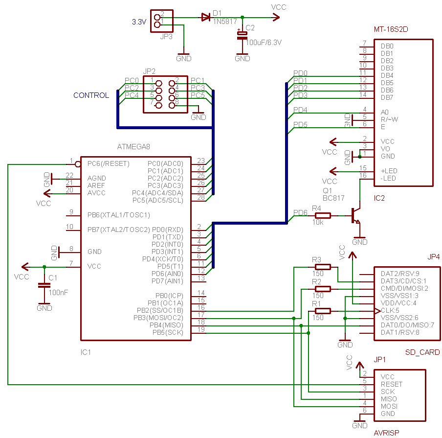
Основой схемы служит IC1 - микроконтроллер (МК) семейства AVR от Atmel - ATmega8. Это 8-разрядный RISС МК с производительностью до 16 MIPS, 8 Кб flash-ПЗУ для программы и 1 Кб ОЗУ для данных.
Прикрепленное изображение
Выводы МК, обозначенные как PBx, PDx, PCx (порты) являются пользовательскими - их функции задаются прошивкой контроллера (firmware).
Порт C используется для подключения клавиатуры - через разъём JP2.
Порт D управляет LCD.
Порт B используется как последовательный интерфейс для обмена данными с картой памяти, а также для программирования самого МК.

IC2 - ЖК дисплей - представляет собой модуль MT-16S2D от МЭЛТ, который объединяет в себе ЖК панель 80 x 16 точек, управляющий контроллер и светодиодную подсветку. Управление подсветкой осуществляется через ключ на транзисторе Q1.
Прикрепленное изображениеПрикрепленное изображение

JP4 - слот карты памяти. Выходные сигналы от МК к карте защищены от короткого замыкания резисторами R1-R3.

JP1 - разъём для программирования МК - стандартный, 6-контактный, для программатора AVRISP или аналогичных (в простейшем случае - LPT порт и несколько резисторов).
Прикрепленное изображение

Питание 3.3В поступает с разъёма JP3 через защитный диод D1 (если перепутают полярность питания) на блокирующий конденсатор C2 и далее ко всем остальным узлам схемы. Питающая линия ("+" питания) обозначается как VCC (common-collector voltage), общий провод ("-" питания) - как GND (ground).

Блокировка питания конденсаторами C1 и С2 нужна для:
- подавления импульсных помех по питанию;
- уменьшения сопротивления источника питания по переменному току (в идеале оно должно быть нулевым), что также способствует более устойчивой работе питаемых компонент.


--------------------
The idiots are winning.
 Оффлайн  Профиль  PM 
 К началу страницы 
+ Ответить 
xds
сообщение 15.02.2007 8:12
Сообщение #25


N337
****

Группа: Пользователи
Сообщений: 737
Пол: Мужской

Репутация: -  26  +


Техническое описание ATmega8 (англ.)
Техническое описание MT-16S2D (рус.)


--------------------
The idiots are winning.
 Оффлайн  Профиль  PM 
 К началу страницы 
+ Ответить 

2 страниц V < 1 2
 Ответить  Открыть новую тему 
1 чел. читают эту тему (гостей: 1, скрытых пользователей: 0)
Пользователей: 0

 



- Текстовая версия 9.10.2025 5:30
Хостинг предоставлен компанией "Веб Сервис Центр" при поддержке компании "ДокЛаб"