| Анна |
17.02.2007 10:12
Сообщение
#1
|
![]() Бывалая ![]() ![]() ![]() Группа: Пользователи Сообщений: 290 Пол: Женский Реальное имя: Анютка Репутация: 7 |
|
![]() ![]() |
| Анна |
18.02.2007 17:31
Сообщение
#2
|
![]() Бывалая ![]() ![]() ![]() Группа: Пользователи Сообщений: 290 Пол: Женский Реальное имя: Анютка Репутация: 7 |
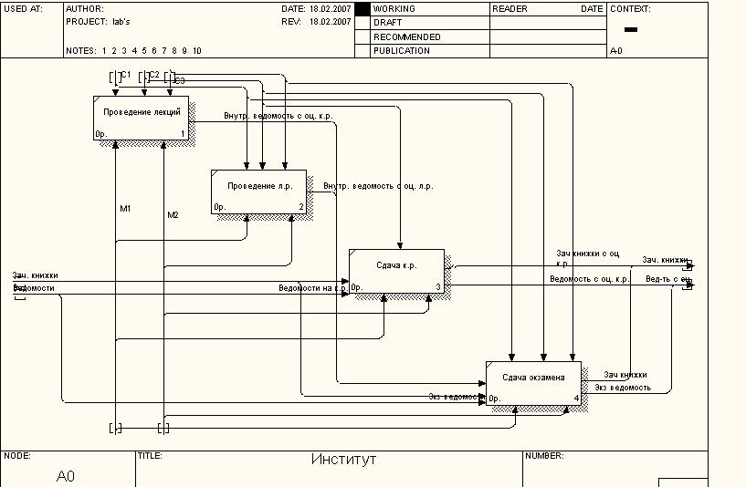
Вот схема ...
Не могу сообразить, как это осуществить. Условия и т.п. Сообщение отредактировано: Анна - 18.02.2007 17:32 Эскизы прикрепленных изображений |
Анна Моделирование процесса - IDEF0 17.02.2007 10:12
Altair На этой схеме черт голову сломит.
Хоть бы потрудил... 18.02.2007 17:03
Анна К примеру при пересдаче, или стрелка должна идти с... 18.02.2007 17:56
Altair Теперь давай разберемся с заданием.
То, что у тебя... 19.02.2007 13:26
Анна p.s.2
в BPWin рисовала?
Да.
Updates:
Добавлено ... 19.02.2007 17:39
Altair
Нет, не то-же, что и на экзамен.
Ведомости уже не... 19.02.2007 20:30
Анна В общем всё, что Вы тут описали замечательно :). Н... 21.02.2007 18:59
Altair Т.е. первая схема для сдачи автоматом?
Да, а я кст... 21.02.2007 21:37
Анна Первая схема - общая.
Сдача авт. - на "управ... 22.02.2007 16:51![]() ![]() |
|
Текстовая версия | 8.12.2025 17:22 |