| GreyWind |
12.10.2006 14:43
Сообщение
#1
|
|
Гость |
Подскажите пожалуйста как решить эти задачи.
1)Напряжение на зажимах генератора 36В а сопротивление внешней цепи в 9 раз больше чем внутреннее сопротивление. Какова ЭДС? Впринципе я решил эту задачу. Но не уверен что правильно... Вот решение Код U=I*r I=U/r I=E/(R+r) U/r=E/(R+r) U/r=E/10r E=10Ur/r E=10U=360B 2)2 элемента ЭДС которых 1.9В и 1.1В Внутреннее сопротивление 0.8 и 0.1 Ом замкнуты параллельно на внешнее сопротивление 10 Ом. Определите силу тока во внешней цепи Эту задачу я попробовал решить через закон Кирхгофа но ничего не получилось 3) Лампа расчитанная на напряжение 127B потребляет мощность 50Вт. Какое дополнительное сопротивление нужно присоединить к лампе что бы включить ее в сеть с напряжением 220В? Я ее решал так: Код P=U1^2/R1 R1=U1^2/P=322,58 Ом U2^2/(R1+R2)=P R1+R2=U2^2/P R2=U2^2/P-R1 R2=645,42 Но это вроде неправильный ответ |
![]() ![]() |
| Lapp |
13.10.2006 4:24
Сообщение
#2
|
![]() Уникум ![]() ![]() ![]() ![]() ![]() ![]() ![]() Группа: Модераторы Сообщений: 6 823 Пол: Мужской Реальное имя: Лопáрь (Андрей) Репутация: 159 |
Господа, ну поимейте же хоть немного здравого смысла!..
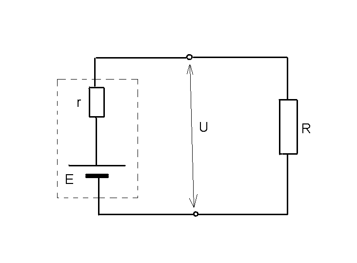
Решали первую задачу, получили сначала 360V, потом 288V.. При этом - вглядитесь! - выходит, что чем лучше источник тока (то есть чем меньше его внутреннее сопротивление), тем меньшее мы получаем напряжение на выходе (по сравнению с ЭДС). При ЭДС в 288V напряжение на зажимах всего 36V! 2 Clerick: мне кажется, ты говорил местами верно, но и те (верные) места понять невозможно из-за ошибок и полного небрежения правилами построения предложения. Перечитай, пожалуйста, свой текст (особенно второй абзац) или дай прочесть приятелю.. Перечитал? Понял что-нибудь?.. Неудивительно, что GreyWind сделал неправильные выводы.. Ты куда-то очень спешил? Не было времени перечитать и проверить? Короче, если в задаче нужно учесть внутреннее сопротивление источника тока (обычно его не учитывают, то есть полагают его равным нулю), то это сопротивление нужно явным образом пририсовать на схеме рядом с обозначением ЭДС. Вот так: Здесь обведенная пунктиром область - это источник тока. После этого можно решать задачу обычным способом, используя обычный закон Ома, считая сопротивление источника ЭДС нулевым. То есть в данном случае имеем: С одной стороны, через ЭДС: I = E / (R+r) С другой стороны, на внешнем участке: I = U / R Приравнивая эти два выражения для тока, получаем: E / (R+r) = U / R , или E = U * (R+r) / R . То есть при наших начальных данных нужно ожидать величины ЭДС на 10% больше, чем U. А вовсе не в 10 раз.. И при этом, чем меньше внутреннее сопротивление батареи, тем меньше разница между U и ЭДС. Вот теперь все на своих местах! -------------------- я - ветер, я северный холодный ветер
я час расставанья, я год возвращенья домой |
GreyWind Сила тока 12.10.2006 14:43
Clerick По поводу первой. Есть ошибка. Неверно записан зак... 12.10.2006 18:06
Гость To Clerick спасибо за помощь
Т.е первую задачу над... 12.10.2006 18:49
lapp Во второй задаче Клерик, кажется, прав (выкладки н... 13.10.2006 5:34
Clerick
Во второй задаче Клерик, кажется, прав (выкладки ... 13.10.2006 17:22
GreyWind Большое всем спасибо за помощь. С первой и третьей... 15.10.2006 20:20
Clerick
Большое всем спасибо за помощь. С первой и третье... 16.10.2006 17:44![]() ![]() |
|
Текстовая версия | 8.12.2025 12:07 |